Copyright ? 2025 无锡HB火博设备科技有限公司 版权所有备案号:苏ICP备16062119号-2
苏公网安备32028202232883号网站建设:无锡网科
产品特点:本机适用于制药、化工、食品等行业,是粉碎与吸尘为一体的粉碎设备。
主要用途:本机适用于制药、化工、食品等行业。
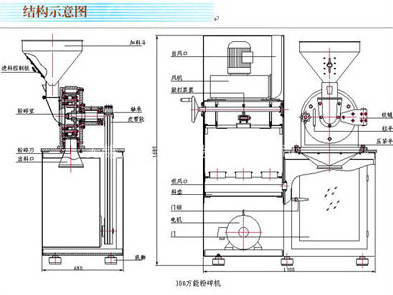
工作原理:本机利用活动齿盘和固定齿盘间的相对运动,使被粉碎物经齿冲击、摩擦及物料彼此间冲击而获得粉碎。粉碎好的物料经旋转离心力的作用,自动进入捕集袋,粉尘由吸尘箱经布袋过滤回收。整机用不锈钢材料制造,生产过程中无粉尘飞扬。且能提高物料的利用率,降低企业成本。

0510-88301230传真:0510-88791377
网址:www.wxxyjb.com
邮箱:sales@wxxyjb.com
地址:江苏省无锡宜兴市官林镇戈庄村杨生坝88号
销售一部:沈经理
158 5279 6716销售二部:刘经理
187 0619 4598销售三部:郑经理
158 5253 9554
Copyright ? 2025 无锡HB火博设备科技有限公司 版权所有备案号:苏ICP备16062119号-2
苏公网安备32028202232883号网站建设:无锡网科
